客戶需要測量大功率變壓器的線圈電阻(20 MVA-100 MVA),盡管變壓器線圈電阻的本身值不需要制造商保證,但我們知道測量線圈阻值是測量溫升的必要條件。線圈電阻通常表示歐姆電阻——線圈的直流電阻。
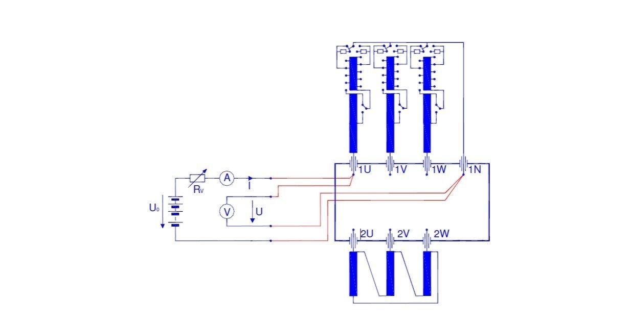
根據電流電壓法測量線圈電阻的測量,給被測設備加載一個直流電流。電流I是用安培表來測量的,電壓降與電壓表的未知電阻R有關。兩者的讀數是同時完成的。未知電阻可以根據歐姆定律計算出來:R=U/I
線圈的每一相都是分開測量的。因為它是在變壓器線圈性能由一個大電流誘導性而被改變,瞬時激活過程在直流電源開啟后由于直流電流的影響程度不同,測量回路的時間常數和預磁化是核心。

U0: 直流電源
Rv: 可變電阻
A: 安培表
V: 電壓表
U: 未知電阻 Rx 的電壓降
I: 通過未知電阻Rx 的電流
為了達到測量回路的短時間常數,可變電阻應盡可能高。這需要直流電源輸出的高電壓U0,因此,當被完全磁化后,測量目標的直流電流就會達到一個足夠高的水平。
測量過程完成后,直流電流回路不能被中斷。由于電流的快速變化,在DUT中會產生高電壓,這對工作人員和設備都是危險的。
因此,直流電源必須緩慢地調節。作為一個選項,在電流回路被打斷之前,需要一個電阻與DUT并聯。
經過幾個星期的測試,德國GMC的直流電源已被證明是一個W美的適合實現一個合適的磁化/消磁過程的產品。這對于以適當的方式進行電阻測量是至關重要的。此外,該特性(在高電壓和電流水平上保持穩定)對于特殊電阻測量是必要的,因為技術原因需要快速磁化。
固話:021-63801098
手機:+86 13817443004
郵箱:sales@gmci-china.cn
地址:上海松江研展路455號漢橋文化科技園B座703